Produits
400-820-9728
Catégories de produits
Tuyaux
Articulation
Équipement hydraulique
Vannes de régulation des fluides
Tubes rigides

Menu

Produits
Articulation
400-820-9728

KFFL / KFFS

Pinces à bride fendue SAE
Le matériau est de 35, 45 pièces forgées

Filtrer par:
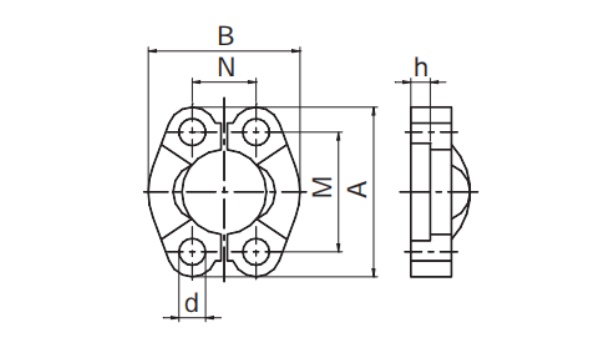
Numéro de commande Type de bride DN Diamètre intérieur (inch) Pression maximale de service (bar) A B C D H L S1 E spécification O-rings bolt d D1 L1 L2 L3 L4 L5 poids KG D3 I h d1 Classe de pression MPa M N F K G DaxS LA DB

● Matériel : acier au carbone / acier inoxydable
● Matériau à haute résistance, résistant à la corrosion, résistant à la haute pression
● Convient à toutes sortes d’environnements industriels difficiles
● Excellentes performances d’étanchéité pour garantir zéro fuite et fournir une connexion durable et stable pour votre équipement